首页    自封阀    SF6自封阀-5GY.452.005
未标题-1
未标题-2

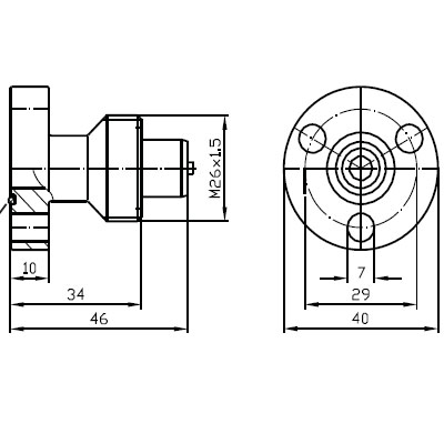
SF6自封阀-5GY.452.005

产品型号:5GY.452.005
材质:铝合金

产品简介

本产品为SF6气体密度表或密度继电器与SF6气室的连接装置,
完成装配后可对SF6气室进行有效的密封。中、高压设备都可应用。


应用范围

SF6绝缘组合电器(GIS)  SF6绝缘断路器   SF6绝缘柱上开关

SF6绝缘变压器           SF6绝缘互感器   SF6绝缘母线系统

产品特点:
1. 自封功能:当设备或连接件移除时,自动密封     2. 可反复使用

外观参数:
1. 原料:铝/铜合金/不锈钢
2. 公称直径:6、8、12 mm(中压设备) 20mm(高压设备)
3. 表面处理: 铝:氧化处理 铜合金/不锈钢:不作处理

主要技术参数:

环境温度:- 40℃~ + 80℃ 公称压力:PN 64(6.4MPa)
端口联接:外螺纹(附图) 安装力矩:40N.m
密封性能:10-9 Pa•m3/s 抗震性能:40g
工作寿命:1×105 次 抗冲击性能:500g.11

可选功能:
接口尺寸: 可定制

公称直径: 可定制